Company Information Literature Company News

LIQUID LEVEL SENSING: USING REED SWITCH TECHNOLOGY

When measuring discrete levels of liquids, such as automobile brake fluid, reed switch technology is simple, inexpensive, and reliable. A magnet mounted on a float closes an adjacent magnetic reed switch as the magnet approaches. Typically, the reed switch is mounted in a plastic or non-magnetic metal tube, and a ring magnet mounted on a float rides up and down the tube on the liquid surface (Fig. 1). A ring magnet is a good solution since as the magnet sweeps by the reed switch, only one closure occurs as the plane of the magnet lines up with the contact gap of the switch. Other types of magnets can cause two or even three separate closures, causing potential problems in the software used to monitor the level sensor. Also note that if the wires to the sensor are severed, the system registers low. It is therefore fail-safe.

 

This method is frequently used in automobiles for monitoring brake fluid levels. It can be modified to register multiple levels by incorporating a chain of reed switches. By using three reed switches instead of one, for example, the reed switch level sensor can register a RED alert - “stop and check brake fluid immediately,” ORANGE – “check brake fluid level soon,” and GREEN – “brake fluid level OK.”

 

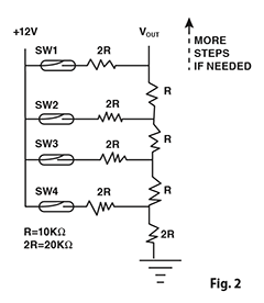
Discrete voltage levels corresponding to each switch closure can be developed using a resistor ladder. A typical configuration for a 4-switch system is shown in Figure 2. The resistor network can be extended to any number of levels depending on the depth of the tank and the switch separation. Thus deep tanks can be monitored with many discrete levels. Schemes can also be devised to “tune” the resistor values to suit tanks with spherical or other varying cross sections.

 

Choice of reed switch

Since bare glass reed switches are fragile, a better choice is a plastic encapsulated reed switch such as Coto Technology’s CT05 or CT10 series. They consist of a high-quality reed switch encapsulated in a hard epoxy resin, which effectively “splints” the reed switch, protecting it from shock, vibration and environmental damage. As such, they are ideal for under-hood automobile operation. The CT05 series switches are surface mount devices 6.4 mm long (9.55 mm including leads), and are also available in a slightly shorter J-bend format. The CT10 series is 12.8 mm long (16.4 mm with leads)

 

Apart from the advantages of increased ruggedness, the surface mount format makes it simple to attach the switches to printed circuit boards or flex circuits using pick-and-place equipment. While designing the CT05 or CT10 switches into a sensor, note that every switch that leaves the Coto factory is tested for operate and release sensitivity AFTER lead cropping and encapsulation, ensuring that these sensitivities are known accurately. In contrast, other reed switch manufacturers test the operate and release sensitivity before lead cropping and molding, and can only make a rough estimate of the sensitivity of the shipped product.

 

Relationship between Amp-Turn (AT) operate and release sensitivity, and required operate and release field

The CT05 and CT10 series reed switches are specified in terms of the range of operate AT. For example, the CT10-1030-G1 switch has a range from 10 to 30 AT. In other words, Coto warrants that a switch randomly selected from a batch of CT10-1030-G1 switches will operate in a field of between 10 amp-turns and 30 amp-turns measured in Coto’s factory test coil. (The specification for this coil is available on request.) However, most CT series switch users expect to use a permanent magnet to operate the switch. What magnetic field strength is needed to operate a 10 AT switch? There is a simple rule of thumb to figure this. It is: 4 AT = 1mT. In other words, divide the switch AT by 4 to get the required field strength in milliTeslas (mT). So the 10 AT switch will operate when immersed in a field of approximately 10/4 = 2.5 mT (25 Gauss in the older CGS units.) Correspondingly, a 30 AT switch will close at 7.5 mT.