Contact US (800) 526-5376
Home
Products
Suppliers
Catalog
About Us
Contact Us
Help
Home
>
Suppliers
>
Kycon
>
Products
>
HDMI
>
KDMI42X Series
Company Info
Products
Literature
Company News
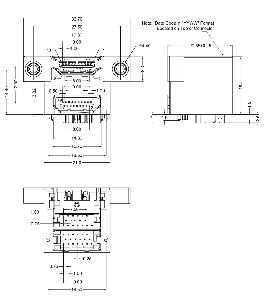
HDMI(TM): KDMI42X Series
Stacked HDMI(TM)
Metal Shields Provide Better ESD Protection
Provides Low Impedance Mismatch
19 Position Receptacle
Panel Mount Flange Option Adds Mechanical Stability and Provides Additional Grounding
Resources
View Kycon Pages in RSI Catalog
Kycon Website
Products
Audio Jacks
Card Edge
Chip Carrier Sockets
D-Subminiature
DC Power
Hardware
HDMI
IP67
Mini/Circular Din
Modular Jacks
USB
PART SEARCH
Part Number
Product (Parametric)
Supplier
COMPANY
About Us
Contact Us
Line Card
POLICIES
Terms and Condtions
Privacy
Payment Application
Track Orders
SUPPORT
Contact Us
Customer Support
Tech Support
© 2024 Relay Specialties, Inc.
17 Raritan Road, Oakland, NJ 07436 | 800-526-5376
Created By: G.Dezines