Contact US (800) 526-5376
Home Products Suppliers Catalog About Us Contact Us Help
Home  >  Suppliers  >  Song chuan  >  Products  >  Relays  >  Contactors  >  HD022 Series


Company Info
Products
Literature
Company News
HD022 High DC voltage 60A, 650 Vdc PCB relay (1000 Vdc max. breaking voltage)
Song Chuan Contactors - HD022 Series

Features

 

  • High voltage DC load control.
  • High performance DC relay for photovoltaic power generation systems, energy storage system and xEV charging device, etc..
  • Complies with RoHS-Directive 2011/65/EU.

 

Specifications

Part Series: HD022
Contact Configuration 1A
Contact Rating(Resistive Load) 80A 400VDC
Coil Voltage DC: 12 - 24V
Power Consumption DC: 6W (Holding: 1.5W)

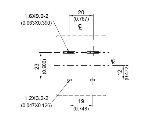
Dimensions

Song Chuan Series HD022 Dimesnion Drawing
Resources
View Song Chuan Pages in RSI Catalog Song Chuan Website
Products
Automotive Relays Industrial Relays High voltage Relays Plug-in Relays PCB Relays Relays Sockets AC Coil Relays
PART SEARCH
Part Number
Product (Parametric)
Supplier
COMPANY
About Us
Contact Us
Line Card
POLICIES
Terms and Condtions
Privacy
Payment Application
Track Orders
SUPPORT
Contact Us
Customer Support
Tech Support
 
   
© 2024 Relay Specialties, Inc.
17 Raritan Road, Oakland, NJ 07436 | 800-526-5376

Created By: G.Dezines