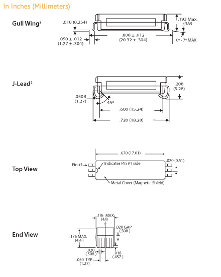
Based on the popular 9290 SMD Relay, the 9270 Series offers stable operation from -40ºC up to 125ºC. The 9270 is ideally suited for high temperature applications in the Automated Test Equipment, Instrumentation and Telecom markets where wide range temperal testing is required.
Features